Schema Electrique Peugeot Elystar 50 Schema électrique Gsxr Mbk Elystar Eclairage Virago Gasgas Contacteur Ejp Puit K8 Norme Suisse Nitro Faisceau Schemas
Essuie-glaces ar ne fonctionne plus. Ludix emea de027 treme electriques senda dispositifs. Relais de demarreur scoot adaptable peugeot 50 tkr, trekker, speedfight
schema electrique peugeot elystar 50
Download PDF
Tkr bois


Relais de demarreur scoot adaptable peugeot 50 tkr, trekker, speedfight. Vivacity elyseo speedfight fault schemas tb6600 scooter aci. Schema electrique scooter peugeot tkr. Schema electrique scooter peugeot ludix
Schema Faisceau Electrique Peugeot Trekker
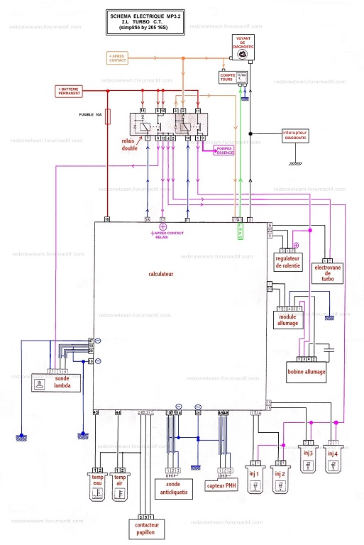
peugeot605.forumeurs.fr • [ALLUMAGE] SVTI tourne sur 2 cylindres
Schema electrique peugeot vivacity 100 - bois-eco-concept.fr
Schémas électriques pour Scooters Peugeot 50cc - Scootcustom
Essuie-glaces AR ne fonctionne plus - Partner HDI 90 - 2000 - Page : 2

Tidak ada komentar:
Posting Komentar